Червячные мотор-редукторы МЧ2-160

Мотор редуктор МЧ 2-160 (далее мотор-редукторы) эксплуатируется в качестве привода общемашиностроительного применения. Данный тип приводного оборудования используется в условиях питания от сети переменного тока (частота 50Гц/ 60Гц, напряжение - 220В/380В), по согласованию с заказчиком возможен широкий диапазон других стандартных напряжений. От той или иной модификации мотор-редуктора зависит показатель номинального передаточного числа, межосевое расстояние, процент КПД и другие аспекты, подробнее о которых Вы можете узнать, связавшись с нашими консультантами. В целях охлаждения на конце входного вала располагается вентилятор, защищенный кожухом, крепящимся к корпусу посредством двух болтов.
Цена: от 26 500 руб.
Базовые условия использования мотор-редукторов:
- нагрузка постоянная/переменная (в рамках номинального крутящего момента)
- вращение вала выполняется в любую сторону
- климатические варианты исполнения: У3 и Т2 согласно нормативам ГОСТ 15150-69 в условиях работы на высоте над уровнем моря < 1000 м., допускается работа устройств на высоте > 1000 м. над уровнем моря при соблюдении ГОСТ 183-74
- характеристики внешней среды: неагрессивная и невзрывоопасная, содержание непроводящей пыли < 10мг/м3
Общее описание:
![]() |
![]() |
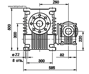
РИС.1 Габаритные и присоединительные размеры мотор-редукторов МЧ2-160
![]() |
![]() |
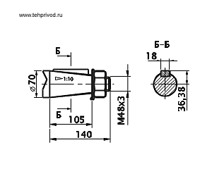
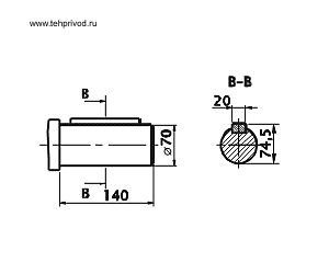
РИС.2 Исполнения выходного вала мотор-редукторов МЧ2-160

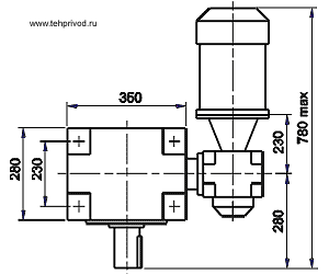
РИС.3 Схемы сборки мотор-редукторов МЧ2-160

РИС.4 Вариант сборки червячных пар мотор-редукторов МЧ2-160
Технические характеристики мотор-редукторов МЧ2-160
|
ПАРАМЕТР |
ПЕРЕДАТОЧНОЕ ЧИСЛО ОБЩЕЕ |
||||||||||
|---|---|---|---|---|---|---|---|---|---|---|---|
|
100 |
125 |
160 |
200 |
250 |
400 |
630 |
1000 |
1600 |
2500 |
4000 |
|
|
Номинальный крутящий момент на выходном валу, Н.м при ПВ>63% |
1440 |
1970 |
1670 |
1710 |
1750 |
1985 |
2090 |
2210 |
2315 |
2055 |
1350 |
|
при ПВ<63% |
1800 |
2465 |
2090 |
2140 |
2190 |
2480 |
2610 |
2760 |
2895 |
2570 |
1690 |
|
при ПВ=40% |
1800 |
2465 |
2090 |
2140 |
2190 |
2480 |
2610 |
2760 |
2895 |
2570 |
1690 |
|
при ПВ=25% |
2160 |
2525 |
2508 |
2570 |
2630 |
2980 |
3130 |
3310 |
3470 |
3085 |
2030 |
|
при ПВ=16% |
2160 |
2525 |
3170 |
3210 |
3285 |
3720 |
3600 |
3750 |
4180 |
3855 |
2535 |
|
КПД, %s |
77 |
74 |
73 |
68 |
65 |
60 |
55 |
50 |
35 |
30 |
22 |
|
Термическая мощность, кВт |
3,15 |
3,15 |
3,15 |
3,47 |
2,90 |
2,90 |
2,05 |
1,24 |
1,09 |
0,92 |
0,92 |
|
Тип электродвигателя серии АИР |
100L4 |
100L4 |
100L4 |
100L4 |
100S4 |
90L4 |
80B4 |
80A4 |
80A4 |
71B4 |
71A4 |
|
Мощность эл./дв, [кВт] |
4,0 |
4,0 |
4,0 |
4,0 |
3,0 |
2.2 |
1.5 |
1,1 |
1,1 |
0,75 |
0,55 |
|
Номинальная частота вращения выходного вала, об/мин |
14,0 |
11,2 |
8,8 |
7,0 |
5,6 |
3,5 |
2,2 |
1,4 |
0,88 |
0,56 |
0,35 |
ПРИМЕР УСЛОВНОГО ОБОЗНАЧЕНИЯ В ЗАКАЗЕ:
Мотор-редуктор МЧ2-160-250-6-12-21-Ц-У2, что означает:
МЧ2 – мотор-редуктор червячный двухступенчатый
160 – межосевое расстояние, мм
250 – номинальное передаточное число
6 – номинальная частота вращения выходного вала, об/мин
12 – вариант сборки
Ц – исполнение с цилиндрическим выходным валом
У – климатическое исполнение
2 – категория размещения



